|
|
|
 |
| |
| HJ-XDG型三通阀 |
|
设备性能
本设备适用与火力发电厂粉煤灰输送管道中,作介质输送改向分配用,也可用于粮食、水泥等部门的输送管道。
产品各结合面密封严密、无泄漏、运行换向阻力小,操作简便。
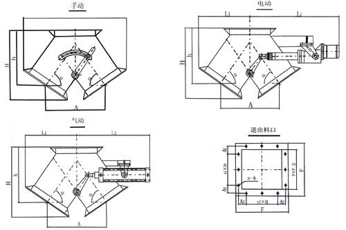
操作方式:手动、电动及气动操作。
技术参数
| 型号 |
|
JDG250 |
JDG300 |
JDG400 |
JDG500 |
JDG700 |
JDG800 |
| 规格 |
mm |
250x250 |
300x300 |
400x400 |
500x500 |
700x700 |
800x800 |
| 适用温度 |
~C |
~<200 |
| 适用介质 |
|
煤灰、矿渣、水泥、杂物等 |
| 电动推杆型号 |
|
DTl0020 |
DT30030 |
DT50040 |
| 功率 |
Kw |
0.18 |
0.55 |
1.1 |
|
| 电源 |
|
380V 50HZ |
| 气缸型号 |
|
QGBl00x200 |
QGBl25x300 |
QGB200x400 |
| 气源 |
|
PN=0.4,-,0.6Mpa |
外形尺寸
| 规格 |
α |
A |
h |
H |
L |
L1 |
L2 |
L3 |
P×P |
F |
n1×A1 |
A2 |
n-φ |
| 300×250 |
55 |
470 |
422 |
524 |
756 |
378 |
798 |
525 |
250×250 |
360 |
2×160 |
0 |
8-φ14 |
| 300×300 |
55 |
506 |
475 |
600 |
848 |
424 |
890 |
525 |
300×300 |
420 |
3×120 |
0 |
12-φ14 |
| 400×400 |
55 |
590 |
550 |
706 |
1020 |
510 |
9311 |
687 |
400×300 |
530 |
3×120 |
55 |
16-φ14 |
| 500×500 |
55 |
690 |
700 |
884 |
1214 |
607 |
951 |
725 |
500×500 |
640 |
5×116 |
0 |
20-φ18 |
| 700×700 |
55 |
1211 |
1065 |
1307 |
1904 |
954 |
1311 |
795 |
700×700 |
845 |
6×130 |
0
|
24-φ18 |
| 800×800 |
55 |
1323 |
1245 |
1516 |
2098 |
1049 |
1311 |
795 |
800×800 |
945 |
6×148 |
0 |
24-φ18 |
|
| |
 |
| 上一页:508压力真空释放阀 下一页:HJ-XCH型箱式冲灰器 |  |
|
|